Home
New Models
New Models
Factory Promotions
Inventory
Parts Finder
Categories
IMPLEMENT
loading...
TRACTOR
loading...
Services
Services
Service Quote Request
Company Info
Company Info
Contact Us
Maps&Hours
Maps & Hours
0
Cart is empty.
Maps & Hours
0
Map
Map
Greensburg
,
PA
(724) 691-0200
Map
Map
Butler
,
PA
(724) 482-6288
Map
Map
Stoneboro
,
PA
(724) 253-2035
TRACTOR
IMPLEMENT
TRACTOR
IMPLEMENT
IMPLEMENT
TRACTOR
Home
New Modals
New Models
Factory Promotions
Inventory
Parts Finder
Categories
IMPLEMENT
loading...
TRACTOR
loading...
Services
Services
Service Quote Request
Company Info
Company Info
Contact Us
Maps&Hours
4mytym.com
FOR ASSISTANCE CALL:
(724) 691-0200
Home
Category
TRACTOR
10-30 hp
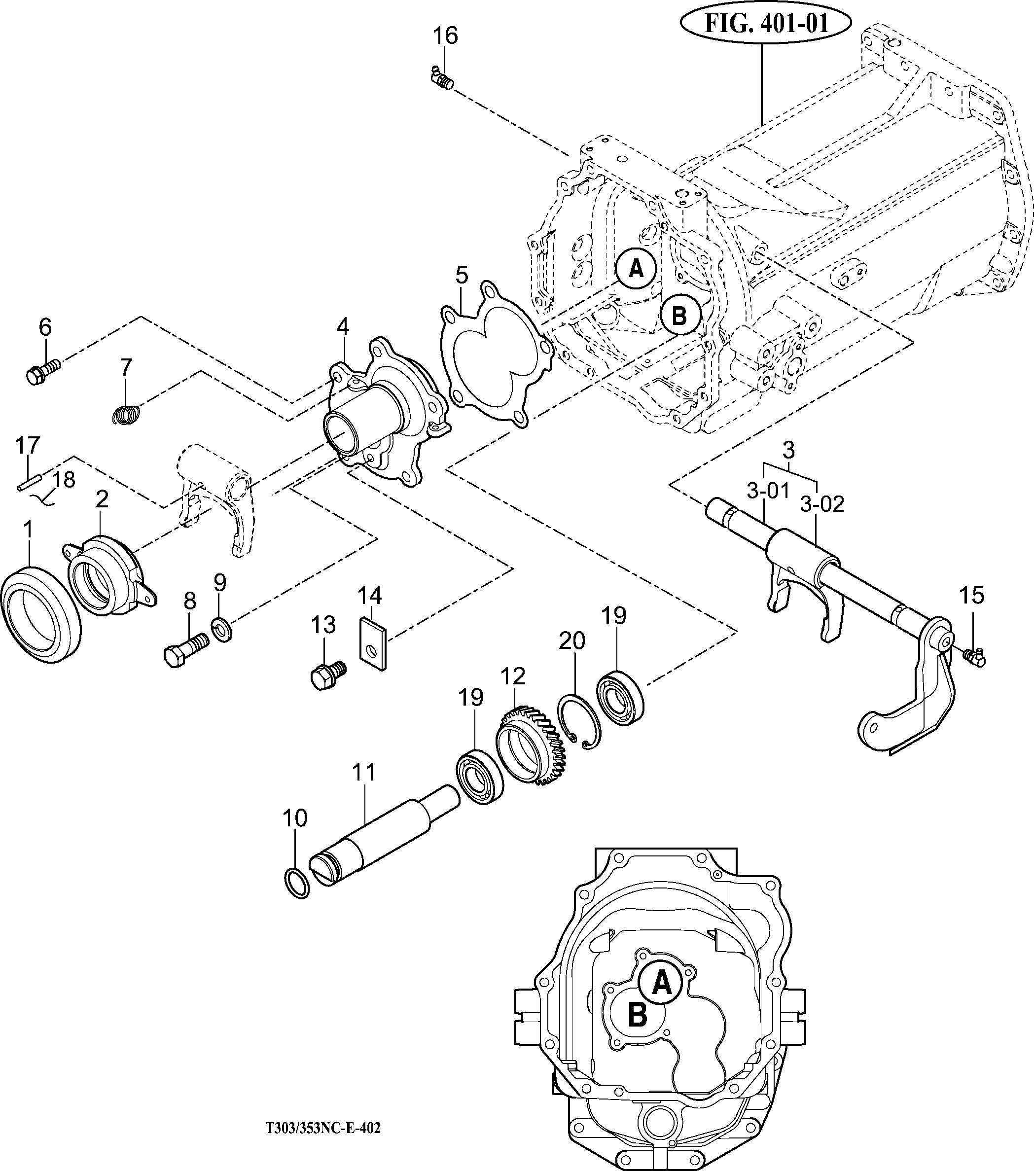
T300
Old Model
INPUT METAL
TYM T300 INPUT METAL SCHEMATICS
Looking for parts on this page? Click, View Parts
×
×
Order Tracking
×
View Tracking