0

Cart is empty.

0
IMPLEMENT
4mytym.com FOR ASSISTANCE CALL: (724) 691-0200

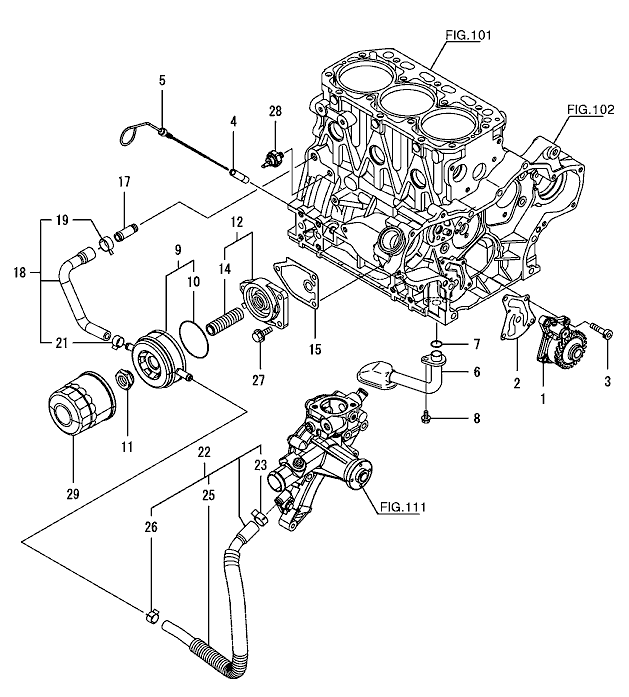
TYM T354NHUSM1 LUB.OIL SYSTEM SCHEMATICS