0

Cart is empty.

0
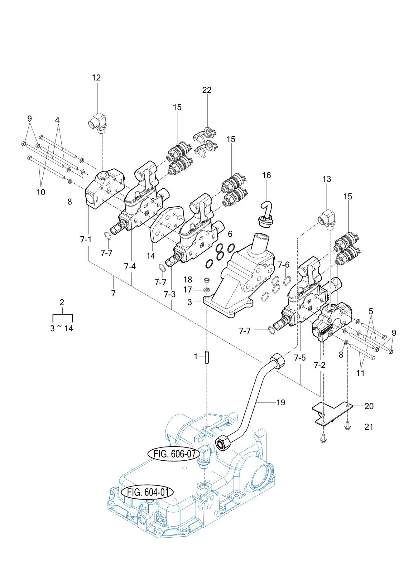
IMPLEMENT
4mytym.com FOR ASSISTANCE CALL: (724) 691-0200

TYM T115SPUS1 AUX VALVE & FILTER SUB SCHEMATICS